Описание
Подвесные электрические мостовые краны используются в производственных и складских помещениях, где установка опорных подкрановых путей невозможна или нецелесообразна. Такие краны крепятся к несущим конструкциям здания, что позволяет эффективно использовать пространство помещения.
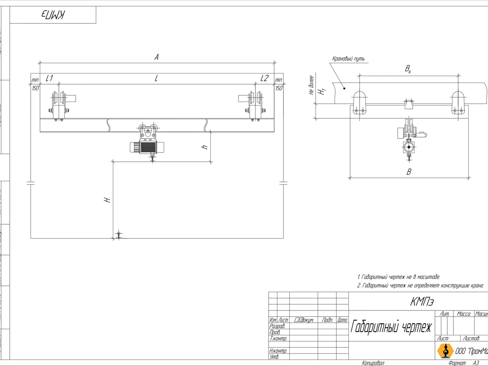
Основная конструкция подвесного крана включает несущую балку, грузоподъёмный механизм и подвесные концевые тележки, которые перемещаются по нижним полкам подкрановых путей. В качестве механизма подъёма обычно используется электрическая таль.
Одним из преимуществ подвесных мостовых кранов является возможность перекрывать большие рабочие зоны, включая участки между колоннами здания. Это позволяет обслуживать труднодоступные зоны и организовывать эффективную транспортировку грузов внутри цеха.
Преимущества подвесных мостовых кранов:
- эффективное использование пространства
- возможность перекрытия нескольких рабочих зон
- компактность конструкции
- удобство эксплуатации
- высокая манёвренность
Подвесные мостовые краны широко применяются в производственных цехах, ремонтных мастерских, на складах и в сборочных линиях.
Компания «Проммаш» выполняет изготовление и поставку подвесных электрических кранов с различными параметрами грузоподъёмности и пролёта, а также выполняет монтаж и пусконаладочные работы.